UMEHOSHI ITA TOP PAGE COMPUTER SHIEN LAB
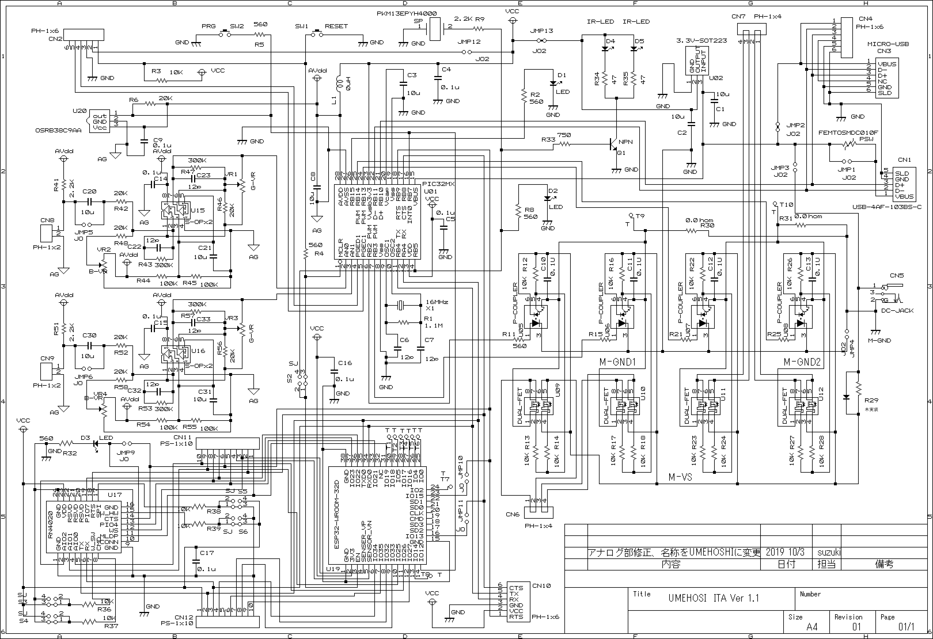
制御用チップは microchip社のマイクロコントローラ (PIC32MX270F256B-50I/SP)で、
Windows PCやAndroid端末などとUSBで接続して、プログラミングが可能になっています。
2つのアナログ入力と、 モータ制御などに使える2つの 絶縁型でHブリッジ回路のPWM出力を持ち、
入力したデータを判断して、出力を制御するような使い方を想定していますが、
圧電スピーカ、赤外線リモコン送受信部品、無線モジュールなども取付可能で、
アイデアに応じて使いたい部品を、半田付けで追加できます。
他にもコネクタ、コンデンサマイク(ECM)、可変抵抗、LED、タクトスイッチ、
などの部品が未実装で、ご自身で選んだ部品を追加する形式になっております。
「Windows PCとUSB接続」を行って、「シリアル通信ポート(COMn)」
(115200bps、1StopBit、Parity無し)の通信で、
作成したプログラムを、転送して動作できます。
USBから供給される消費電流は、
プログラムや追加する部品によりますが、オプション部品を付けない状態で、20mA〜40mA程度でしょう。
この基板で使っているマイクロコントローラ (PIC32MX270F256B-50I/SP)の
UART1(Universal Asynchronous Receiver/Transmitter)の接続は、
CN10または「CN11とCN12」または未実装のU17に繋がっています。
(ですから、UART1を使う場合はこの何れかの構成を選ぶことになります。)
以下に、取り付け部品例を示しています。
下記左上は、UART1用の部品を付けていない例ですが、
CN10コネクタを使えば他とシリアル通信が可能です。
下記右上は「CN11とCN12」を介して
「AE-RN-42-XB 」のBluetoothモジュールを取り付けた例です。(通信中は100mA程度消費します)
下記左下はU17にESP32-WROOM-32D(無線モジュール)を取り付けた例です。(ピーク1.5A程度)
下記右下はU17にRN4020(BLE)を取り付けた例です。(45mA程度に抑えられるでしょう)



