UMEHOSHI ITA TOP PAGE COMPUTER SHIEN LAB
以下で示す部品の追加は、一つの例です。必ずこうしなくてはならないという訳ではございません。
また、[UMEHOSHI ITA]へ何を追加して、どう使うかは自由です。
最終的な安全性や信頼性は、ご利用者の責任で追加部品などを選定し、ご利用者の判断でお使いくいださい。
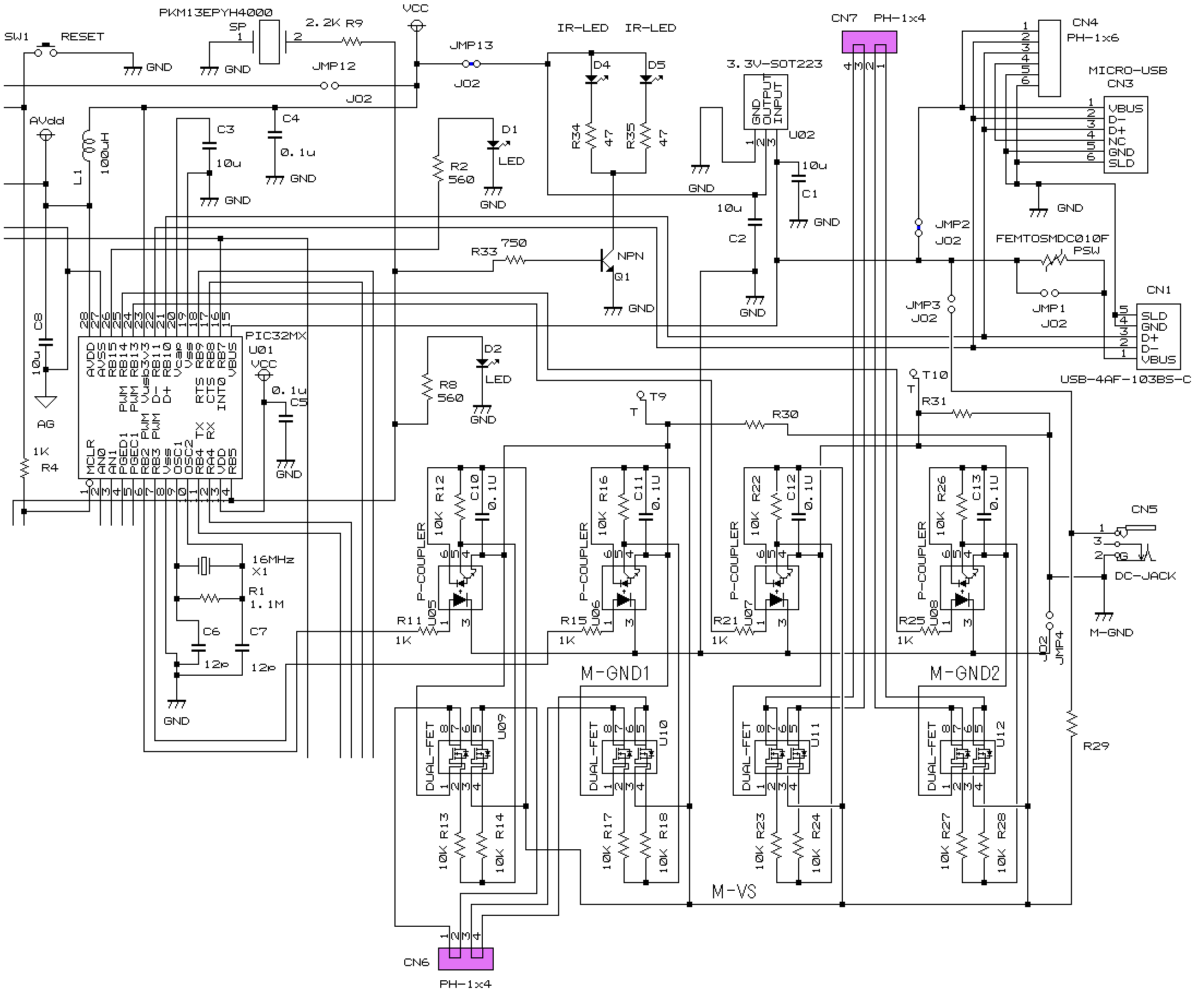
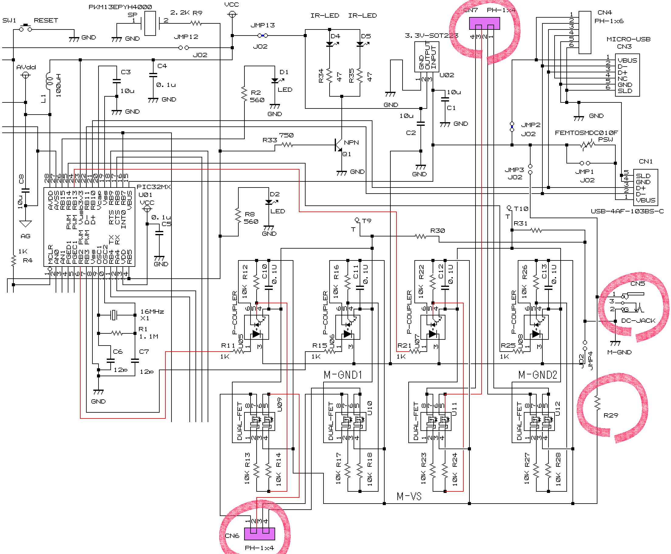
PWMの制御対象は、CN6とCN7のコネクタです。この部分的な回路図を示します。
そして、赤丸の箇所が追加部品です。
CN6の制御は、PRB2とRRB3です。_RB2 = 1, _RB3 = 0;
にするとCN6-3_4をベースにしてCN6-1_2に+Mvが出力されます。
また_RB2 = 0, _RB3 = 1;にすると逆に-Mvが出力されます。
以下にCN6の制御に注目したHブリッジ制御回路図を示します。(CN7の制御も同等の手法で行われす。)

(U09,U10,U11,U12の部品は
TPC8408相当品)
R29への部品追加
CN5へDC-JACKを追加
CN6とCN7のコネクタ追加
R29はPWM回路への電源供給の電流制限用として存在します。
何を付けるかは、最終的にどれだけの電源を使うのか?どう供給するのか、モータスペックをどうするかで、
変わるでしょう。
制限の必要がなければ抵抗を付けるのではなく、ジャンパーにした方が良い場合もあるでしょう。
また、代わりにヒューズを付けるのもよいでしょう。
なお、上記モータドライブ回路で使っているDUAL-FETに「TPC8408(東芝)」の素子を使っているのですが、
この電源に逆電圧を加えると破損する可能性が予想されます。実験的な使い方を想定し、誤っても逆電圧が加えられることの
無いように保護用としてダイオードを使うのもよいでしょう。
下記は手元にあったショットキーバリアダイオード SB340LS (40V 3A)を付けています。

次のように半田付けします。(極性に注意してください)
PWM回路への電源供給をCN5のDC-JACKで行う場合の方法です。
2.1mmΦDCジャック (マル信無線電機株式会社 MJ-179PH などが使えます。)を
次のように半田付けします。
モータなどと接続するコネクタです。
次のターミナルブロック 2ピン(青)(縦)小
[TB111-2-2-U-1-1](Alphaplus Connectors & Cables Corp.)がお勧めです。
これを、次のように半田付けします。
(黄色またはオレンジの矢印先のどちらのスルーホールに差し込んでも同じです。
取り付け可能な方を自由に選んで付けてください。)