UMEHOSHI ITA TOP PAGE

D2のLEDも利用したLチカ

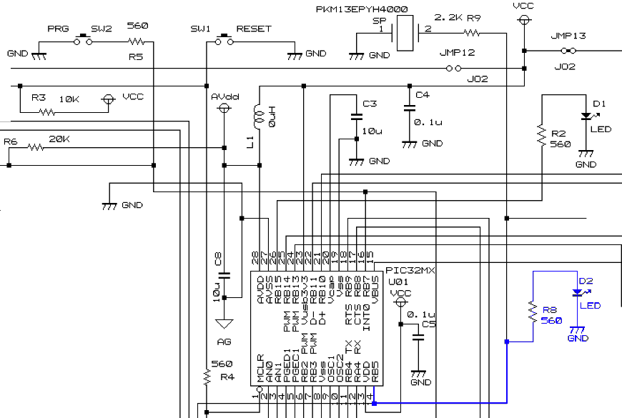
D2のLEDは、下記回路図で青の接続線で示しています。この端子はRB5に繋がっており、1にするとHiになって点灯します。
これは制御チップで[PORTB REGISTER]のBit5をを意味しています(資料:DS60001168K TABLE 11-4: PORTB REGISTER MAP)。
右下の大きく点滅しているのが追加したD2のダイオードです。

D2のLEDと、D1のLEDを交互に点灯する

「リセットスイッチでスタートさせるD1のLチカで、この点滅をSW2スイッチで止める」RAM上で動作するプログラムを こちらのページで紹介しています。
これに対して、上記のD2のLEDと、D1のLEDを交互に点灯するように変更したコードを以下に示します。
(下記C言語ソースは、「umehoshiEdit」ツールで、ビルド実行できます。
右ソースは逆アセンブルしたコードで、これを参考に、後述のアセンブリソースを作っています。)
#include <xc.h>	// test.c
#include "common.h"

// RAMで動かす場合の絶対アドレス範囲は、(0x80005000〜0x80008000)です
//__attribute__((address( 0x9D020000 ))) void start_boot(void);//EEPRON使用時
__attribute__((address( 0x80005000 ))) void start_boot(void);
void start_boot(){
	extern void start_main();
	_HANDLES[_IDX_INIT_SUB_FUNC] = start_main;//起動関数に、下記start_mainを登録
}

//__attribute__((address( 0x9D020400 ))) int wait(int n);//EEPRON使用時
int wait(int n){// nカウント待つ
	while(n--) {
		int sw2 = _switch2_state();// SW2のスイッチ状態を取得
		if(sw2 == 1) return 1;	// OFFからONに変わった
	}
	return 0;
}

//__attribute__((address( 0x9D020500 ))) void start_main();//EEPRON使用時
void start_main(){
	PORTBSET = 0x8000;// D1 LED 点灯(RB15を1):これは、0xbf886128番地への設定です.
	PORTBCLR = 0x0020;// D2 LED 消灯(RB5を0):これは、0xbf886124番地への設定です.
	for(;;){
		__asm__ ("NOP");	
		if(wait(0x00080000)) break;// チョット待って、SW2のスイッチを押したら終了
		__asm__ ("NOP");	
		uint16_t data = PORTB;// ポートBの情報取得
		data ^= 0x8020;// D2のLEDと、D1のLEDのビット位置を反転
		PORTB = data;;// ポートBにdataを設定
	}
}










































#include <xc.h>	// test.S (Lチカの無限ループ)
	.set noreorder #アセンブラに命令の順序を自動変更させない。
	.section	main_loop,address(0x80005000),code
80005000 <start_boot>:
80005000:	27bdfff8 	addiu	sp,sp,-8
80005004:	afbe0004 	sw	s8,4(sp)
80005008:	03a0f021 	move	s8,sp
8000500c:	3c02a000 	lui	v0,0xa000
80005010:	344240c8 	ori	v0,v0,0x40c8
80005014:	3c038000 	lui	v1,0x8000
80005018:	246350b4 	addiu	v1,v1,20660
8000501c:	ac430000 	sw	v1,0(v0)
80005020:	03c0e821 	move	sp,s8
80005024:	8fbe0004 	lw	s8,4(sp)
80005028:	27bd0008 	addiu	sp,sp,8
8000502c:	03e00008 	jr	ra
80005030:	00000000 	nop

80005034 <wait>:
80005034:	27bdffe0 	addiu	sp,sp,-32
80005038:	afbf001c 	sw	ra,28(sp)
8000503c:	afbe0018 	sw	s8,24(sp)
80005040:	03a0f021 	move	s8,sp
80005044:	afc40020 	sw	a0,32(s8)
80005048:	08001421 	j	80005084 <.LBE2>
8000504c:	00000000 	nop

80005050 <.LBB2>:
80005050:	3c02a000 	lui	v0,0xa000
80005054:	3442401c 	ori	v0,v0,0x401c
80005058:	8c420000 	lw	v0,0(v0)
8000505c:	0040f809 	jalr	v0
80005060:	00000000 	nop
80005064:	afc20010 	sw	v0,16(s8)
80005068:	8fc30010 	lw	v1,16(s8)
8000506c:	24020001 	li	v0,1
80005070:	14620004 	bne	v1,v0,80005084 <.LBE2>
80005074:	00000000 	nop
80005078:	24020001 	li	v0,1
8000507c:	08001427 	j	8000509c <.LBE2+0x18>
80005080:	00000000 	nop

80005084 <.LBE2>:
80005084:	8fc20020 	lw	v0,32(s8)
80005088:	2443ffff 	addiu	v1,v0,-1
8000508c:	afc30020 	sw	v1,32(s8)
80005090:	1440ffef 	bnez	v0,80005050 <.LBB2>
80005094:	00000000 	nop
80005098:	00001021 	move	v0,zero
8000509c:	03c0e821 	move	sp,s8
800050a0:	8fbf001c 	lw	ra,28(sp)
800050a4:	8fbe0018 	lw	s8,24(sp)
800050a8:	27bd0020 	addiu	sp,sp,32
800050ac:	03e00008 	jr	ra
800050b0:	00000000 	nop

800050b4 <start_main>:
800050b4:	27bdffe0 	addiu	sp,sp,-32
800050b8:	afbf001c 	sw	ra,28(sp)
800050bc:	afbe0018 	sw	s8,24(sp)
800050c0:	03a0f021 	move	s8,sp
800050c4:	3c02bf88 	lui	v0,0xbf88
800050c8:	34038000 	li	v1,0x8000
800050cc:	ac436128 	sw	v1,24872(v0)
800050d0:	3c02bf88 	lui	v0,0xbf88
800050d4:	24030020 	li	v1,32
800050d8:	ac436124 	sw	v1,24868(v0)

800050dc <.LBB3>:
800050dc:	00000000 	nop
800050e0:	0c00140d 	jal	80005034 <wait>
800050e4:	3c040008 	lui	a0,0x8
800050e8:	10400003 	beqz	v0,800050f8 <.LBB3+0x1c>
800050ec:	00000000 	nop
800050f0:	0800144b 	j	8000512c <.LBE3+0x8>
800050f4:	00000000 	nop
800050f8:	00000000 	nop
800050fc:	3c02bf88 	lui	v0,0xbf88
80005100:	8c426120 	lw	v0,24864(v0)
80005104:	a7c20010 	sh	v0,16(s8)
80005108:	97c30010 	lhu	v1,16(s8)
8000510c:	24028020 	li	v0,-32736
80005110:	00621026 	xor	v0,v1,v0
80005114:	a7c20010 	sh	v0,16(s8)
80005118:	97c30010 	lhu	v1,16(s8)
8000511c:	3c02bf88 	lui	v0,0xbf88
80005120:	ac436120 	sw	v1,24864(v0)

80005124 <.LBE3>:
80005124:	08001437 	j	800050dc <.LBB3>
80005128:	00000000 	nop
8000512c:	03c0e821 	move	sp,s8
80005130:	8fbf001c 	lw	ra,28(sp)
80005134:	8fbe0018 	lw	s8,24(sp)
80005138:	03e00008 	jr	ra
8000513c:	27bd0020 	addiu	sp,sp,32

  以下に、上記の実際に動作した、アセンブリリストを示します。上のC言語の逆アセンブルリストをコードにしてみました。

(UMEHOSHI ITA基板で使っている制御チップのPIC32MX270F256B用(MIPS32系)アセンブリに必要な情報の概要です。)

以下は上記のD1とD2を交互に点滅するコードです。SW1のリセット(赤)で動作を始めて、 SW2(白)のスイッチで点滅を止めます。

  上記で編集したアセンブリソースを、左のボタンで「アッセンブル」できます。
番地から実行するUME専用Hexコマンドを、 最後に追加埋め込みする場合にチェックする==>

上記で生成した[UME専用Hexコマンド]のテキストを コピー(CTRL+A CTRL+C)してUMEHOSHI ITAへ転送して動かすことができます。

上記コードを、Pythonで[UMEHOSHI ITA]基板で転送して実行する手順は、 こちらを参照してください。

(この動作の動画(YouTube)は、このリンクで移動できます)


4bitコードをD2のLEDで点滅させる

デバックのブザー音制御用関数の int _debug_hex4(n,c,b)を使う例です。
この関数で振動するブザー用の端子は、D2のLEDと同じで、兼用の出力になっています。
この音がなる振動によりLEDが点灯します。(音が出ない時はLowレベルで消灯します。)
・ー・ー との短音と長音のパターンで、短音が0で長音が1で 下位ビットから上位ビットの順番で鳴らします。この音は、引数cが0x5ののパターン音です。
この音が登録は引数nの識別番号の音が未登録で、引数bが1の場合です。
登録された音はデフォルトで繰り返しされます。
#include <xc.h>	// test.c
#include "common.h"

// RAMで動かす場合の絶対アドレス範囲は、(0x80005000〜0x80008000)です
//__attribute__((address( 0x9D020000 ))) void start_boot(void);//EEPRON使用時
__attribute__((address( 0x80005000 ))) void start_boot(void);
void start_boot(){
	extern void start_main();
	_HANDLES[_IDX_INIT_SUB_FUNC] = start_main;//起動関数に、下記start_mainを登録
}

//__attribute__((address( 0x9D020500 ))) void start_main();//EEPRON使用時
void start_main(){
	int flag = _debug_hex4(0, 0x05, 1);//ト・ツー・ト・ツー(・ー・ー)
	for(;;) ; // 無限ループ
}
(以下は 利用コードです。)