UMEHOSHI ITA TOP PAGE

アセンブラで、D1のLEDを「 Lチカ 」する。その1(基板入手直後で実験できます)

USBから"R00〜"の実行アドレスを指定した起動用のコマンド文字列で実行をスタートさせる方法です。
リセットスイッチで、実行をスタートさせるプログラムの作り方の紹介はこのリンクです。

D1のLEDのチカチカ点滅を永遠に行う例を示します。

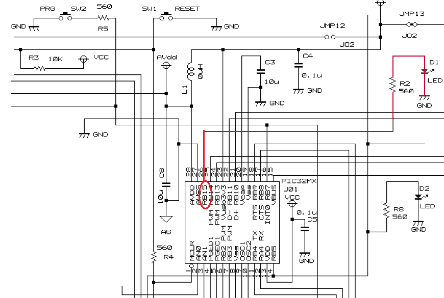
D1のLEDは、下記回路図の赤の接続線で示しています。赤マルのRB15に繋がっていますが、 これは制御チップで[PORTB REGISTER]のBit15をを意味しています(資料:DS60001168K TABLE 11-4: PORTB REGISTER MAP)。
このRB15の出力端子がLowで消え、HiにすればLEDに電流が流れて点灯します。
下記C言語ソースは、D1のLEDを点滅させるコードで、「umehoshiEdit」ツールで、ビルド実行できます。
右リストは逆アセンブルしたコードで、これを参考に、後述のアセンブリリストを作っています。
#include <xc.h>	// test.c
#include "common.h"
__attribute__((address( 0x80005000 ))) void start_main (void);
void wait(int n){// nカウント待つ
	while(n--) ;
}
void start_main(){
	__asm__ ("NOP");
	for(;;){
		PORTBSET = 0x8000;	// D1 LED 点灯(RB15を1):これは、0xbf886128番地への設定です.
		__asm__ ("NOP");	// チョット待つ 
		wait(0x003f0000);
		PORTBCLR = 0x8000;	// D1 LED 消灯(RB15を0):これは、0xbf886124番地への設定です.
		__asm__ ("NOP");	// チョット待つ
		wait(0x003f0000);
	}
}

/*


UMEHOSHI ITAで使っている制御チップは、PIC32MX270F256Bで、
そのメモリには特殊機能レジスタ(SFRs:Special Function Registers)が割り当てられています。
このレジスタの操作で、様々な周辺回路がアクセスできます。

上記のORTBSETが、PORTBの指定ビットを1にすることで対応端子をHiにする機能のレジスタです。
また、PORTBCLR が、PORTBの指定ビットを1にすることで対応端子をLowにする機能のレジスタです。

ORTBSETとPORTBCLRのレジスタは、それぞれのメモリ上のアドレスは、0xbf8861280xbf886124です。

よって、これらレジスタにLEDに繋がるRB15のビットを表現するx8000を代入すれば、点灯や消灯ができます。

なお、wait関数で点灯や消灯の待ち時間を作っていますが、
 引数の 0x003f0000 は、適当に実験から得た値です。
この関数の呼び出し位置のアドレスはは、右リストの80005024:8000503c:です。
 この直後の「遅延スロット」で「lui a0,0x3f」の引数を設定しています。
*/

80005000 <start_main>:
80005000:	27bdffe8 	addiu	sp,sp,-24
80005004:	afbf0014 	sw	ra,20(sp)
80005008:	afbe0010 	sw	s8,16(sp)
8000500c:	03a0f021 	move	s8,sp
80005010:	00000000 	nop
80005014 <.L4>:
80005014:	3c02bf88 	lui	v0,0xbf88
80005018:	34038000 	li	v1,0x8000
8000501c:	ac436124 	sw	v1,0x6128(v0)
80005020:	00000000 	nop
80005024:	0c001413 	jal	8000504c <.LFE8>
80005028:	3c04003f 	lui	a0,0x3f
8000502c:	00000000 	nop
80005030:	3c02bf88 	lui	v0,0xbf88
80005034:	34038000 	li	v1,0x8000
80005038:	ac436128 	sw	v1,0x6124(v0)
8000503c:	0c001413 	jal	8000504c <.LFE8>
80005040:	3c04003f 	lui	a0,0x3f
80005044:	08001405 	j	80005014 <.L4>
80005048:	00000000 	nop

8000504c <wait>:
8000504c:	27bdfff8 	addiu	sp,sp,-8
80005050:	afbe0004 	sw	s8,4(sp)
80005054:	03a0f021 	move	s8,sp
80005058:	afc40008 	sw	a0,8(s8)
8000505c:	00000000 	nop
80005060:	8fc20008 	lw	v0,8(s8)
80005064:	2443ffff 	addiu	v1,v0,-1
80005068:	afc30008 	sw	v1,8(s8)
8000506c:	1440fffc 	bnez	v0,80005060 <wait+0x14>
80005070:	00000000 	nop
80005074:	03c0e821 	move	sp,s8
80005078:	8fbe0004 	lw	s8,4(sp)
8000507c:	27bd0008 	addiu	sp,sp,8
80005080:	03e00008 	jr	ra
80005084:	00000000 	nop

  以下に、上記の実際に動作した、アセンブリリストを示します。上のC言語の逆アセンブルリストをコードにしてみました。
無限ループなので、本来あるべきユーザープログラムのリターン処理がありません。(コメントアウトしています。)

(UMEHOSHI ITA基板で使っている制御チップのPIC32MX270F256B用(MIPS32系)アセンブリに必要な情報の概要です。)


  上記で編集したアセンブリソースを、左のボタンで「アッセンブル」できます。
番地から実行するUME専用Hexコマンドを、 最後に追加埋め込みする場合にチェックする==>

上記で生成した[UME専用Hexコマンド]のテキストを コピー(CTRL+A CTRL+C)してUMEHOSHI ITAへ転送して動かすことができます。
上記コードは、逆アセンブラのコードを真似ただけで無駄が多い。以下でアセンブリ的に無駄な部分を削除してみました。
前回の記述ではスタックのローカル変数を使っていましたが、可能な限りs0-s7のレジスタを使うように変更しました。
(auto変数を使う場合でも、fpのフレームポインタを使わわないで直接にスタック操作をする手法にします。)
それで、waitサブルーチンでカウントダウンに使っている変数を、s7のレジスタを使うように変更しました。
また、この作品のような無限ループであれば、戻る必要がないので戻り値の確保はコメント化しました。
01
02
03
04
05
06
07
08
09
10
11
12
13
14
15
16
17
18
19
20
21
22
23
24
25
26
27
28
29
30
31
31
32
33
#include <xc.h>	// test.S (USBへhelloの文字列を出力するプログラム 、ロード実行タイプ)
	.set noreorder #アセンブラに命令の順序を自動変更させない。
	.section	start_main,address(0x80005000),code
	.ent	start_main
start_main:
	# ADDIU	sp,sp,-24	# 以下で使う24byteまでの退避サイスをスタックに作る。
	# SW	ra,20(sp)	# 現在の関数の戻り番地をスタックに退避
.L4:
	LUI	v0,0xbf88	# 以下の3行で、0xbf886128のPORTBSETに0x8000を設定することで、D1のLEDを点灯
	li	v1,0x8000
	SW	v1,0x6128(v0)	# 以上の3行で1のLEDを点灯
	NOP
	JAL	wait		# チョット待つwait関数呼び出し(次行のRaに戻り番地を記憶してジャンプ)
	LUI	a0,0x3f
	NOP
	LUI	v0,0xbf88	# 以下の3行で、0xbf886124のPORTBCLRに0x8000を設定することで、D1のLEDを消灯
	li	v1,0x8000
	SW	v1,0x6124(v0)	# 以上の3行で1のLEDを消灯

	JAL	wait		# チョット待つwait関数呼び出し(次行のRaに戻り番地を記憶してジャンプ)
	LUI	a0,0x3f
	J	.L4		# 無限ループのジャンプ
	NOP
	.end test_main

wait:	ADDIU	sp,sp,-8	# 以下で使う24byteまでの退避サイスをスタックに作る。<====wait関数
	SW	ra,4(sp)	# 現在の関数の戻り番地をスタックに退避
	ADDU	s7, a0, zero	# 引数レジスタa0を、s7に記憶 		
Lwait1:	ADDIU	s7, s7,-1		# s7=s7+(-1)
	BNE 	s7, zero, Lwait1
	NOP
	ADDIU	sp,sp,8	# 関数実行前のスタックポインタに戻す 
	JR	ra
	NOP

上記コードを、Pythonで[UMEHOSHI ITA]基板で転送して実行する手順の紹介

予め、pythonが動作するターミナル(コマンドプロンプト)を、開いて準備して置くとよいでしょう。
以下では、R:\workを作業位置(カレントディレクトリ)にして説明しています。
また、pythonプログラムでは、serialモジュールを追加しておく必要があります。
「pip show serial」のコマンド操作で、インストールされているか確認できます。
インストールされていない場合は、「pip install pyserial」の操作で、インストールしておくと良いでしょう。

【1】 [UMEHOSHI ITA]基板で転送するテキストファイル「command.txt」を用意します。

上記の「アセンブラ編集部」の直下にある「アセンブル」ボタンをクリックします。
(このボタン右下の、指定アドレスから実行させるコード埋め込み用のチェックボックスがチェックされていること確認して行う)

「アセンブラ編集部」のソースにエラーが無ければ、[UME専用Hexコマンド]のテキストが、その下の TextArea に表示されます。
(エラーがあれば、エラーが無くHEXコードが生成されるまで、「アセンブラ編集部」の修正とアセンブル」を繰り返します)

メモ帳などで、「command.txt」のファイルを生成して開き、
上記操作で得られたTextAreaの[UME専用Hexコマンド]のテキストを、 コピー(CTRL+A CTRL+C)操作し、
  それを「command.txt」編集画面で貼り付け((CTRL+V)して、保存します。
保存位置は、pythonが動作するターミナルの作業位置(カレントディレクトリ)です。(後述例では、R:\workで示しています)

【2】 [UMEHOSHI ITA]基板へ[command.txt」を転送するpythonファイルを用意します。

「instruct.py」の名前のソースファイルを、[command.txt」と同じ位置に作ります。
(一度作れば、次回は使うだけで、作る必要はありません。(CTRL+A CTRL+C)操作で、コピー可能)


【3】 [UMEHOSHI ITA]基板へ[command.txt」を転送して実行させる。

上記で作った「instruct.py」と[command.txt」が存在する位置で、 pythonが動作するターミナル(コマンドプロンプト)を開きます。
以下では、この作業位置(カレントディレクトリ)が、R:\workである場合の例で説明しています。

まず [UMEHOSHI ITA]基板と、PCをUSBで接続します。

次にターミナルプロンプトを『powershell』にして、
『Get-CimInstance Win32_PnPEntity | Where-Object {$_ -like "*(COM*"} | Select-Object Caption』
のコマンド操作で、USBのシリアル デバイスのCOM番号を調べます。

実行例
R:\work>powershell
Windows PowerShell
Copyright (C) Microsoft Corporation. All rights reserved.

新しいクロスプラットフォームの PowerShell をお試しください https://aka.ms/pscore6

PS R:\work> Get-CimInstance Win32_PnPEntity | Where-Object {$_ -like "*(COM*"} | Select-Object Caption

Caption
-------
Bluetooth リンク経由の標準シリアル (COM10)
USB シリアル デバイス (COM4)
Bluetooth リンク経由の標準シリアル (COM11)
PS R:\work>

この実行例から、USB シリアル デバイス がCOM4が使える状態になっていることが分かります。
このリンクページで示すように、デバイスマネージャで確認することもできます)
この番号の4を記憶して次の転送プログラム実行に進むのですが、 そのUSB シリアル デバイス が見つからない場合、次の点が考えられます。

いずれにしても、接続でUSB シリアル デバイスCOM番号が得られないと、次に進めません。

続いて、以下の『python command.txt』の操作で、転送実行プログラムを実行します。
実行例 (最初に上記で得られた番号の4をキー入力しています。)
PS R:\work> python instract.py
USB シリアル デバイスで、使用するCOMの番号を入力>>4
S108000500000E8FFBD271400BFAF1000BEAF21F0A003  17チェックサム: 0
USB受信● b'S108000500000E8FFBD271400BFAF1000BEAF21F0A00317\r\n'
USB受信● b'SET:80005000\r\n'
S1080005010000000000088BF023C00800324286143AC  C1チェックサム: 0
USB受信● b'S1080005010000000000088BF023C00800324286143ACC1\r\n'
USB受信● b'SET:80005010\r\n'
S108000502000000000001314000C3F00043C00000000  0Eチェックサム: 0
USB受信● b'S108000502000000000001314000C3F00043C000000000E\r\n'
USB受信● b'SET:80005020\r\n'
S10800050300088BF023C00800324246143AC1314000C  A7チェックサム: 0
USB受信● b'S10800050300088BF023C00800324246143AC1314000CA7\r\n'
USB受信● b'SET:80005030\r\n'
S1080005040003F00043C0514000800000000F8FFBD27  9Dチェックサム: 0
USB受信● b'S1080005040003F00043C0514000800000000F8FFBD279D\r\n'
USB受信● b'SET:80005040\r\n'
S1080005050000400BFAF21F0A0030800C4AF00000000  94チェックサム: 0
USB受信● b'S1080005050000400BFAF21F0A0030800C4AF0000000094\r\n'
USB受信● b'SET:80005050\r\n'
S1080005060000800C28FFFFF43240800C3AFFCFF4014  16チェックサム: 0
USB受信● b'S1080005060000800C28FFFFF43240800C3AFFCFF401416\r\n'
USB受信● b'SET:80005060\r\n'
S1080005070000000000021E8C0030400BF8F0800BD27  A1チェックサム: 0
USB受信● b'S1080005070000000000021E8C0030400BF8F0800BD27A1\r\n'
USB受信● b'SET:80005070\r\n'
S0880005080000800E00300000000  30チェックサム: 0
USB受信● b'S0880005080000800E0030000000030\r\n'
USB受信● b'SET:80005080\r\n'
R008000500000  61チェックサム: 0
実行スタートの Enter >>
USB受信● b'R00800050000061'
終了確認の Enter >>>
PS R:\work>

[command.txt」の中に"R008000500000"のような実行コマンドが存在すると、実行スタートの Enter >>の プロンプトが出て、一時停止します。
上記例では、そこでENTERキーを入力することで、"R00800050000061"が送られ、
UMEHOSHI ITA基板で「0x80005000」番地から実行により、「 Lチカ 」が始まります。

上記の手法は、[command.txt」の内容の命令のアドレス範囲がRAMである場合でも、リセットによって初期化されるものではありません
電源供給を続けていれば、リセットしても、実行スタート用のコマンド文字列(上記の例では"R00800050000061")を送ることで、プログラムを起動できます。
しかしリセットによって、既に転送済のプログラムを自動的に起動することができる訳ではありません。
リセット後は、実行アドレスを指定したスタート用のコマンド文字列("R00〜")を送らなければ、実行できません。
リセット後に自動実行させるプログラムの作り方はこちらで示すページで示します。