UMEHOSHI ITA TOP PAGE COMPUTER SHIEN LAB
以下で示す部品の追加は、一つの例です。必ずこうしなくてはならないという訳ではございません。
また、[UMEHOSHI ITA]へ何を追加して、どう使うかは自由です。
最終的な安全性や信頼性は、ご利用者の責任で追加部品などを選定し、ご利用者の判断でお使いくいださい。
ここで、紹介したRN-42(Bluetoothモジュール)の制御例は、こちらで紹介しています。
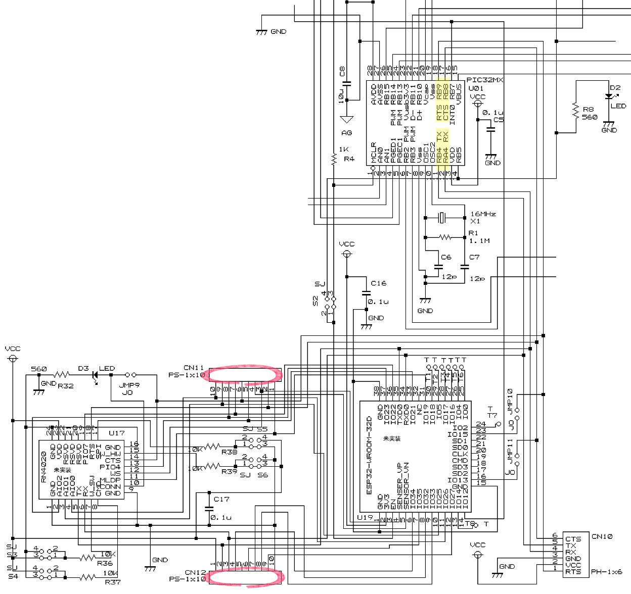
CN11とCN12へ 2mmピッチ10ピンを取り付けして、「AE-RN-42-XB Bluetooth2mmピッチ変換モジュール」を で差し込んで利用する内容です。
上記で示したCN11とCN12は 2mmピッチ10ピンで、マイクロコントローラ (PIC32MX270F256B-50I/SP)
のURAT(Universal Asynchronous Receiver/Transmitter)用端子と繋がっています。
この端子に次の「RN42-XVP-I/RM」を取り付けて、
Bluetoothの通信(非同期式送受信)ができるようにします。

上記「AE-RN-42-XB [M-08690]」は、秋月電子通商様より購入したものです。
下記「2mmピッチピンヘッダ 1×10[PH2-1x10SG(4.0/2.8)][C-08978]」で、直接半田付けしても良いのですが、
これに接続する「ピンソケット(メス・2mmピッチ)1×10[FH2-1x10SBG(G)][C-08978]」を、上記は取り付けています。

次のように取り付けます。
| CN12 | RN42端子名 | PIC32MX端子No:名 | - | CN11 | RN42端子名 | PIC32MX端子No:名 |
|---|---|---|---|---|---|---|
| CN12-1 | VDD_3V3 | 13: VDD | CN11-10 | AIO1 | ||
| CN12-2 | TXD 出力 | 12: RX (RA4) 入力 | CN11-9 | AIO0 | ||
| CN12-3 | RXD 入力 | 11: TX (RB4) 出力 | CN11-8 | GPIO7 | ||
| CN12-4 | GPIO7 | CN11-7 | GPIO3 | |||
| CN12-5 | RESET_N | 未接続 | CN11-6 | CTS 入力 | 18: RTS (RB9) 出力 | |
| CN12-6 | GPIO6 | CN11-5 | GPIO5 | |||
| CN12-7 | GPIO9 | CN11-4 | Not Used | |||
| CN12-8 | GPIO4 | CN11-3 | GPIO2 | |||
| CN12-9 | GPIO11 | CN11-2 | RTS 出力 | 17: CTS (RB8) 入力 | ||
| CN12-10 | GND | 19: Vss | CN11-1 | GPIO8 |
bluetoothモジュール(RN42-I/RM)は
上記の の箇所で
PIC32MX270F256B-50I/SPに繋がっています。
逆に、それ以外の端子は使われていません。
適当に、線を引き出して自由に使って構いません。
さて、 の繋がって箇所
を利用して、bluetoothモジュール(RN42-I/RM)とUARTを
使ったプログラミングを作ることができます。
以下では、その前に接続したbluetoothモジュール(RN42-I/RM)の動作確認を行います。
上記で接続したように、bluetoothモジュールのシリアル入力が、
PIC32MX270F256B-50I/SPの URAT1 に繋がっています。
そして、テスト用プログラム(「テスト・ウメ・フラッシュ」)には
「Throughモード」と呼ぶ状態があり、そのモードで簡単に動作が確認できます。
「Throughモード」では、USB経由で「UMEHOSHI ITA」へ送ったデータが、そのままURAT1 へ送られるようになります。
また逆ににURAT1から受信したデータは「UMEHOSHI ITA」を介してUSBより受信できるようになります。
この「Throughモード」へは"T\r\n"の受信により移行します。
このモードはリセットするまで持続します。
この実験は、
PC側で「Tera Term」というターミナルエミュレータを別途にインストールして確認するのが簡単です。
まず次のイメージで、PCと接続して、「Tera Term」を起動します。
(USBはPCと接続)
PC側で起動した「Tera Term」
以下のように接続した時に出現するUSBのCOMポートをの設定をします。(この例ではCM3を選んでいます。)
この操作は、「Setup」メニューの「Serial Port」メニューで行います。

同様に「Setup」メニューの「Tertminal」メニューで、改行(New-line)でReceive:とTranmit:を「CR+LF]にします。

FileメニューのNew Connection より、上記設定のSerialのCOMポートを選択して接続します。

以上で、ターミナルで入力した文字列がUSBを介して、「UMEHOSHI ITA」に送られるようになります。
適当な文字列(hello)を入力して[Enter]してみましょう。
これで表示さるということは、入力した文字列が「UMEHOSHI ITA」へ送られて、
その応答として、エコー(echo)となる同じ文字が「UMEHOSHI ITA」から戻ってきて表示しているのです。
このEchoモードをOFFすると、何も表示しなくなります。
「UMEHOSHI ITA」は[E\r\n]を受信することで、EchoのON/OFFの切り替えができます。
(この時、モードが切り替わったことを知らせるメッセージが出ます)
以下では、『Eと[Enter]』のキー操作を2回行った後に『Tと[Enter]』の入力操作をしています。

上記最後に行ったに『Tと[Enter]』の入力操作で、「Though Mode」に移行して、これ以降のキー入力情報は、
URAT1への送信になっています。またURAT1の受信文字列がターミナルへ表示するように切り替わりました。
よって、URAT1の接続先の部品の仕様により、挙動が変わります。
そして現在、URAT1の接続先がbluetooth(RN42-I/RM)
モジュールになっているので、RN42-I/RMの仕様に従って
確認操作をします。
以下がその操作例です。(挙動は、取り付けデバイスより異なる可能性があります。)
T Through Mode 『見えていないが、ここで「$$$」[Enter]の入力操作』 CMD 『見えていないが、ここで「D」[Enter]の入力操作(デバイスの基本的な設定を表示)』 ***Settings*** BTA=0006667DBEFE BTName=RNBT-BEFE Baudrt(SW4)=115K Mode =Slav Authen=1 PinCod=1234 Bonded=0 Rem=NONE SET ? 『見えていないが、ここで「E」[Enter]の入力操作(デバイスの詳細な設定を表示)』 ***ADVANCED Settings*** SrvName= SPP SrvClass=0000 DevClass=1F00 InqWindw=0100 PagWindw=0100 CfgTimer=255 StatuStr=NULL HidFlags=200 DTRtimer=8 KeySwapr=0 ? 見えていないが、ここで「GD」[Enter]の入力操作(デバイスのアドレスを表示)』 0006667DBEFE ? 見えていないが、ここで「---」[Enter]の入力操作』
以上の操作は、
2020-10-1時点で、https://www.microchip.com/wwwproducts/en/en558330より、RN42-AppNote.zipより取得できたのドキュメントを参考にしました。
上記の「$$$」[Enter]の入力で
ターミナル上に「CMD」が表示され、無線モジュールのLEDの点滅が早くなったらコマンドモードに移行成功です。
上記の最後で、「---」[Enter]の入力操作をしていますが、この操作で、
ターミナルに「END」が表示されコマンドモードから抜けることができます。
この操作の間で、各種コマンドが操作できる訳ですが、
上記は、次の操作を順番に行った例です。
| コマンド文字列 | 操作概要 |
|---|---|
| D | デバイスの基本的な設定を表示する。 |
| E | デバイスの詳細な設定を表示する。 |
| GB | デバイスのアドレスを表示する。 |
幾つかの注目点を示します。
「BTName=RNBT-BEFE」の表示項目が、デバイス名でペアリングする場合に、この名前でデバイスを探します。
「PinCod=1234」の表示項目がペアリングする場合に必要なピンコードです。
「SrvName= SPP」の表示項目が現在のプロファイルです。後述の操作では、SPP(Serial Port Profile)の設定になっている必要があります。
なお、bluetooth(RN42-I/RM)モジュールでは以下のプロファイルが使えるようです。
| 0 | SPP | Serial Port Profile : PC間において仮想シリアルポートを設定し、それらのPCを接続するため |
| 1 | DUN-DCE | Dial-Up Network Profile: ダイアルアップサービスにアクセスするためのプロファイル |
| 2 | DUN-DTE | |
| 3 | MDM SPP | |
| 4 | SPP and DUN-DCE | Dial-Up Network Profile: ダイアルアップサービスにアクセスするためのプロファイル |
| 5 | APL | iPod Accessory Protocol ? |
| 6 | HID | Human Interface Device Profile : キーボードやマウス(ポインティングデバイス) |
「Windowsの設定」より、「デバイス」を選択します。
そして、+ 「Bluetoothまたはその他のデバイスを追加」の所をクリックします。

Bluetoothを選択します。

前述で調べた名前の「RNBT-BEFE」が現れたら、そこをクリックします。

前述で調べたPINのコードを入力して、接続します。


以上で、ペアリング終了です。