UMEHOSHI ITA TOP PAGE COMPUTER SHIEN LAB
以下で示す部品の追加は、一つの例です。必ずこうしなくてはならないという訳ではございません。
また、[UMEHOSHI ITA]へ何を追加して、どう使うかは自由です。
最終的な安全性や信頼性は、ご利用者の責任で追加部品などを選定し、ご利用者の判断でお使いくいださい。
赤外線受光ICや赤外線LEDの取り付け
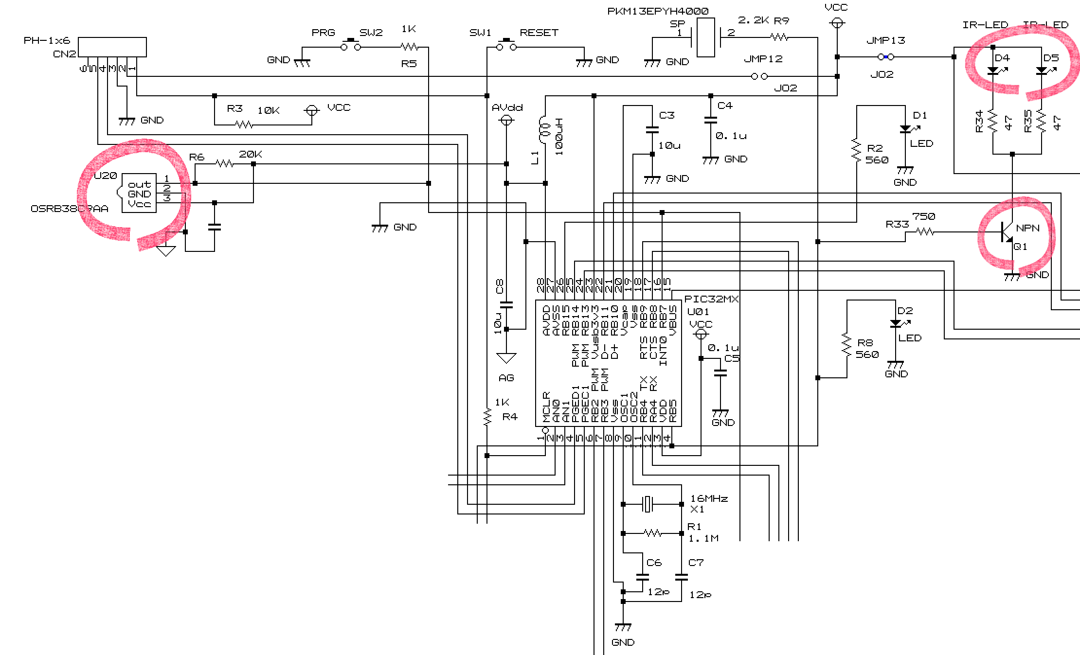
赤外線受光IC(OSRB38C9AA)の出力は、CPUのRB7端子に接続され、これはSW2にも繋がっています。
よって、SW2の操作中は赤外線受光ができません。
また赤外線LEDのON・OFは、RB5端子で行われますが、その端子はブザー制御にも使われています。
よって、ブザーをON/OFFすると赤外線LEDも連動します。
赤外線受光IC 取り付け
赤外線LED 取り付け
NPN トランジスタ 取り付け
小型パッケージにPINフォトダイオード※、アンプ、フィルタを内蔵している
赤外線受信モジュール『
OSRB38C9AA
(メーカー: OptoSupply)』を
取り付けます。
どの方向から受光するかにより、リード線を曲げて取り付けることになります。下記は基板上部少し斜めからの受光例です。


(極性ありです。3mmにカットしたチューブを2個利用して、曲げています。)
下記は、例として赤外線LEDに OptoSupply社の
OSI5FU5111C-40を2つ取り付けた場合の例です。
別の素子でも構いませんが、回路図で分かるように3.3vに対する電流制限用の抵抗に47Ωを使っています。
概算ですがLED端子電圧が1.35v(If=100mAのTyp.値)の時、(3.3-1.35)/47=約41mAの電流で発光します。
(LED端子電圧はもっと低くなるので、もうチョット流れるでしょう。)
2つのLEDを取り付けできるようにしていますが、これは複数のリモコン対象がある場合、
それぞれに向けることができるようにしています。
必要ないなら一つのLEDしか取り付けない選択も可能です。
また、同じ方向に向けてより大きな光量にする使い方もよいでしょう。
いずれにしても、後でLEDの向きを多少変更できるように、リード線を長く残して折り曲げて取り付けるとよいでしょう。
下記は、同じ方向に折り曲げた取り付け例です。
なお、極性があることに注意してください。リード端子の長い方が+側(Anode)で、それにチューブを被せました。
このトランジスタは、200〜300mA程度の電流のスイッチ用で、hFEがある程度大きいものであれば何でも構いません。
R33が750ΩでVBEが0.8Vの時にIb=(3.3-0.8)/750=3.3mAなので、hFEは100以上が選択の目安です。
例えば、2SC2120-Y(東芝)などです。(タマタマ持っていたのこれを付けた例を下記で示しています。)
1m程度少し浮かして取り付けたいので、右上のようなチューブをカットしてリード線にを履かせて取り付けています。
(下の赤マークが取り付け位置です)
この制御は圧電スピーカーや上記の赤外線LEDと同じ制御ラインです。ブザーだけ鳴らすことを希望する場合は、付けなくてもよいでしょう。
ブザーを鳴らすとこのLEDも点灯することになります。それを希望するか、圧電スピーカーの代わりにLEDを使う場合に取り付けます。
下記のLEDは、OptoSupplyの「OSR5JA3Z74A」です。次のように少し浮かしたい場合、チューブをカットしてリード線にを履かせるとよいです。
取り付け方向があります。上記基板のシルク印刷の方向に合わせて取り付けてください。
(下の赤マークが取り付け位置です)