UMEHOSHI ITA TOP PAGE COMPUTER SHIEN LAB
以下で示す部品の追加は、一つの例です。必ずこうしなくてはならないという訳ではございません。
また、[UMEHOSHI ITA]へ何を追加して、どう使うかは自由です。
最終的な安全性や信頼性は、ご利用者の責任で追加部品などを選定し、ご利用者の判断でお使いくいださい。
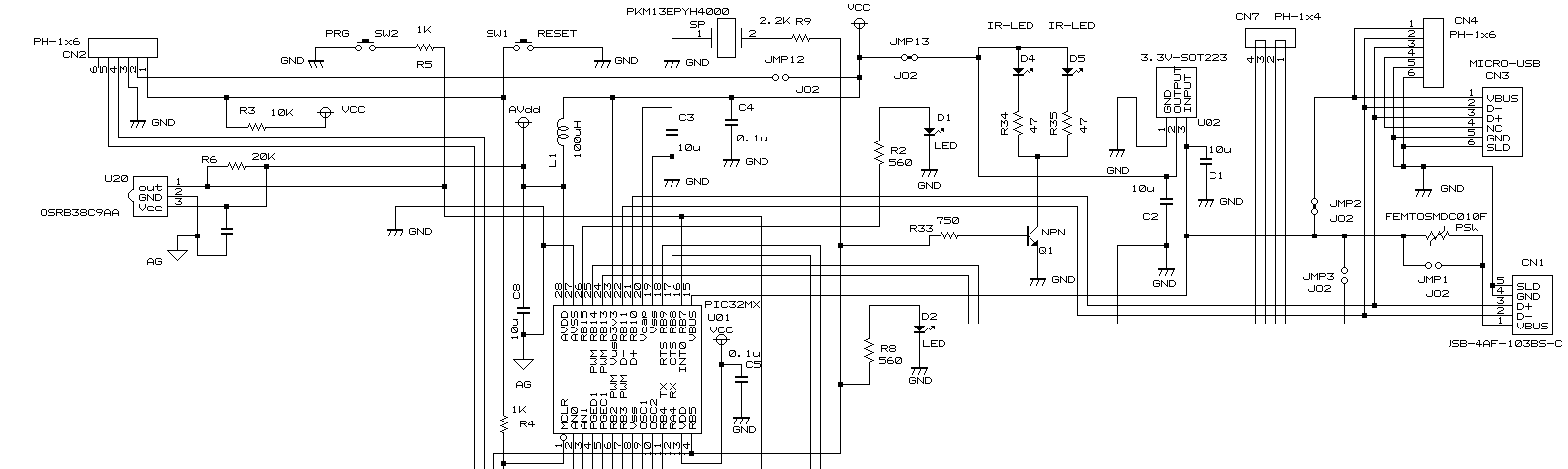
[UMEHOSHI ITA]単体で動作させる時に必要な部品の追加です。
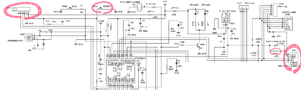
SW1のリセットスイッチ取り付け
JMP1のポリスイッチ追加
CN1のType-Aメスコネクタ追加
CN2のコネクタ追加
タクトスイッチ(赤色)(何色でも自由ですが、リセット用のスイッチです。)下記は「TS-0606-F-N-RED」(Cosland Co,. Ltd.)の品物です。

(下の赤マークが取り付け位置です)
新たに追加するType-Aコネクタ接続時の保護用で、
次のリセッタブルヒューズ 0.1A(0.2Aで遮断) 耐圧:60V 「型番:MF-R010」を使うとよいでしょう。

(下の赤マークが取り付け位置で、極性はありません。)
基板取付用USBコネクタ(Aタイプ メス)「型番:USB-4AF-103BS-C」(メーカー:Useconn Electronics Ltd.)を使うとよいでしょう。

(下の赤マークが取り付け位置です。)
PCと「Type-A」を接続します。(「micro B」のUSBが電源に繋がっているとUSBが識別しません。)
PCと「Type-A」は電源供給と通信を兼用します。(Type-AのCOMポートが確認できます。)
「Type-A」を介してプログラムを転送し、実行します。
「micro B」に電池で電源を供給します。
「Type-A」の接続を外します。これで[UMEHOSHI ITA]単体が「micro B」を介して電池で動作していることになります。
CN2の取り付けは、どのタイミングで行っても構いません。
CN2を使うということは、PICKit3などの書き込みツールでチップのフラッシュメモリにプログラムを埋め込むことになります。
取り付け方やPICKit3の取り付けに関しては、こちらも参照してください。

以下がCN2とJMP12の取り付け位置と取り付け例です。