UMEHOSHI ITA TOP PAGE COMPUTER SHIEN LAB
以下で示す部品の追加は、一つの例です。必ずこうしなくてはならないという訳ではございません。
また、[UMEHOSHI ITA]へ何を追加して、どう使うかは自由です。
最終的な安全性や信頼性は、ご利用者の責任で追加部品などを選定し、ご利用者の判断でお使いくいださい。
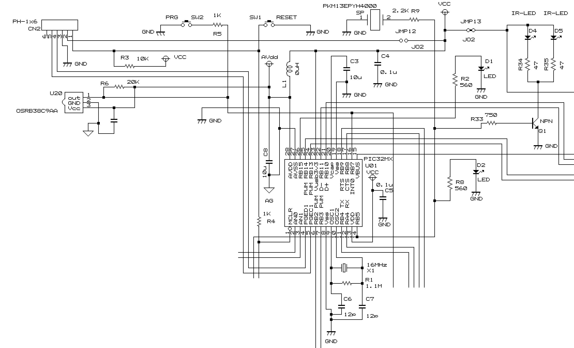
ブザーとスイッチを利用する例を示す
SW2のスイッチ取り付け
R9の抵抗取り付け
SPの圧電ブザー取り付け
D2のLED取り付け
タクトスイッチ(白色)(制御用のスイッチ、何色でもよいですが、)下記は「TS-0606-F-N-WHT」(Cosland Co,. Ltd.)の品物です。

(下の赤マークが取り付け位置です)
圧電スピーカに使う保護用抵抗です。(2.2KΩ1/4W 誤差5% を付けます。(カラーコード赤,赤,赤))

あらかじめ、ピンセットなどで曲げておき、次のように半田付けします。(方向は自由です。)
(下の赤マークが取り付け位置です)
この制御はD2のLEDと同じ配線です。ブザーを鳴らすとLEDも点灯することになります。
ブザーを鳴らさないで、LEDを点灯させるだけを希望する場合は、付けなくてもよいでしょう。
下記の圧電スピーカーは、株式会社村田製作所の
PKM13EPYH4000-A0を使った例です。
この取り付け方向はありません。
1m程度少し浮かして取り付けたいので、右上のようなチューブをカットして圧電ブザーのリード線にを履かせて取り付けています。
(下の赤マークが取り付け位置です)
この制御は圧電スピーカーと同じ制御ラインです。ブザーだけ鳴らすことを希望する場合は、付けなくてもよいでしょう。
ブザーを鳴らすとこのLEDも点灯することになります。それを希望するか、圧電スピーカーの代わりにLEDを使う場合に取り付けます。
下記のLEDは、OptoSupplyの「OSR5JA3Z74A」です。次のように少し浮かしたい場合、チューブをカットしてリード線にを履かせるとよいです。
取り付け方向があります。上記基板のシルク印刷の方向に合わせて取り付けてください。
(下の赤マークが取り付け位置です)